Ada begitu banyak istilah asing dalam dunia kelistrikan yang belum diketahui oleh orang-orang awam, dan salah satunya adalah penyearah gelombang atau rectifier. Sebagian orang sering menyebut rangkaian yang digunakan dalam proses perubahan sinyal AC menjadi DC dengan nama rectifier.
Namun, tidak semua orang tahu bahwa fungsi dari rangkaian ini sangatlah penting dan tidak boleh diabaikan begitu saja. Rectifier dapat dibagi menjadi beberapa jenis yang berbeda berdasarkan cara kerjanya masing-masing. Ingin penjelasan lebih lengkapnya? Simak pembahasannya berikut ini!
Apa Itu Penyearah Gelombang?
Penyearah gelombang adalah bagian dari rangkaian power supply yang dapat digunakan sebagai pengubah sinyal bolak-balik (AC) menjadi sinyal searah (DC). Komponen paling utama yang ada pada rangkaian ini disebut Dioda dan terdiri dari dua kaki yang bernama Anoda (+) serta Katoda (-).
Jika dijelaskan secara lebih rinci lagi, maka dioda dapat diartikan sebagai komponen aktif yang dapat menghantarkan arus yang masuk ke kaki Anoda dan mencegah arus yang datang dari Katoda. Maka dari itu, ada banyak orang yang menganggap bahwa dioda adalah semikonduktor paling sederhana.
Cara kerjanya pun cenderung mudah dipahami, yaitu ketika sebuah dioda mendapatkan arus bolak-balik (AC), maka komponen tersebut akan melewatkan setengah gelombang yang ada. Lalu, bagaimana dengan setengah gelombang lainnya? Setengah gelombang lainnya akan diblokir.
Pada setiap rectifier akan terdapat 3 bagian utama yang sangat penting, yaitu transformer, dioda, dan kapasitor. Masing-masing bagian pada rectifier dalam power supply ini memiliki peran yang penting, sehingga rectifier dapat mengubah sinyal AC menjadi DC secara lebih mudah.
Fungsi Penyearah Gelombang
Setelah memahami tentang apa yang dimaksud dengan rectifier, sekarang Anda juga perlu mengetahui tentang berbagai fungsinya dengan baik. Seperti yang sudah kami katakan sebelumnya, fungsi utama dari komponen ini adalah untuk mengubah arus bolak-balik (AC) menjadi tegangan searah (DC).
Namun, fungsi rectifier tidak berhenti sampai di situ saja, tapi komponen ini masih memiliki beberapa fungsi lainnya yang tidak kalah penting, seperti untuk memenuhi kebutuhan arus DC selain baterai pada beberapa alat elektronik, mengoptimalkan fungsi alat elektronik tertentu, dan lain sebagainya.
Kenapa beberapa alat elektronik membutuhkan komponen ini untuk memenuhi kebutuhan arus DC selain baterainya? Karena listrik yang diberikan oleh PLN biasanya berupa arus listrik bolak-balik (AC), sedangkan alat-alat elektronik tersebut membutuhkan arus searah (DC) untuk bekerja.
Jadi, dapat dipastikan bahwa fungsi dari komponen ini sangat berkaitan dengan perubahan arus AC menjadi DC. Alat apa pun yang membutuhkan tegangan searah DC namun hanya menerima arus AC dari sumber listrik yang ada, pasti akan membutuhkan komponen penyearah yang tepat.
Jenis-Jenis Penyearah Gelombang beserta Cara Kerjanya
Komponen ini tidak hanya memiliki satu jenis saja, tapi dua jenis dengan cara kerja yang berbeda. Maka dari itu, informasi lain yang harus diketahui oleh orang-orang yang sedang mempelajari tentang hal ini adalah jenis-jenis dari komponen tersebut beserta cara kerja yang berlaku di dalamnya.
Rectifier dapat dibagi menjadi dua jenis yang berbeda, yaitu half wave rectifier dan full wave rectifier. Untuk memahami tentang kedua jenis rectifier ini, simak penjelasannya berikut ini:
1. Half Wave Rectifier
Orang-orang lebih mengenal jenis rectifier yang satu ini dengan nama penyearah setengah gelombang. Penyearah setengah gelombang adalah komponen penyearah paling sederhana, karena memakai sebuah dioda saja untuk menghambat sisi sinyal negatif dari sinyal AC power supply.
Jadi, komponen penyearah setengah gelombang ini akan melewatkan sisi sinyal positif yang ada di dalamnya. Pada dasarnya, ada 2 sisi pada arus AC yang harus diketahui oleh semua orang, yaitu sisi negatif dan sisi positif yang bolak-balik. Tentu cara kerja pada kedua bagian ini berbeda.
Jika sisi positif gelombang dari arus AC yang ada pada dioda dapat menyebabkan dioda menjadi forward bias, untuk sisi negatif gelombang tersebut akan membuat dioda berada dalam posisi reverse bias. Maka dari itu, pada sisi negatif gelombang sinyal yang negatif akan terhambat secara otomatis.
2. Full Wave Rectifier
Hanya dengan melihat dari namanya saja Anda pasti tahu bahwa jenis rectifier yang satu ini berbeda dengan jenis sebelumnya. Ya, jenis rectifier ini memiliki 2 cara tersendiri untuk membentuk gelombang penuh, yaitu dengan menggunakan 2 dioda atau 4 dioda.
Pada full wave rectifier 2 dioda akan dibutuhkan transformer CT, sedangkan pada full wave rectifier 4 dioda tidak dibutuhkan komponen tersebut. Untuk memahami tentang kedua cara ini, berikut kami bagikan informasi lebih lengkapnya:
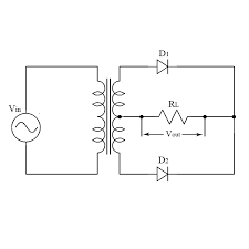
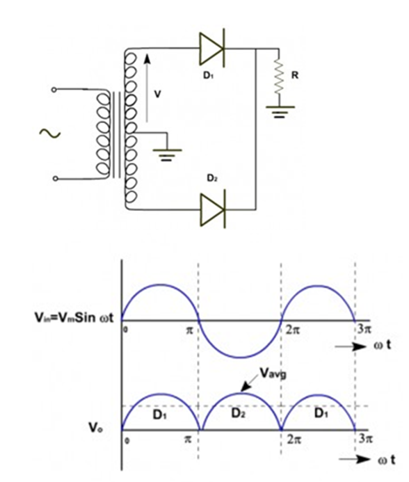
a) Full Wave Rectifier 2 Dioda
Komponen yang paling dibutuhkan pada rectifier ini adalah transformer CT yang merupakan transformer khusus untuk memberikan output tegangan yang berbeda fasa 180 derajat melalui kedua terminal output sekunder yang ada di dalamnya.
Ketika output transformer CT di terminal pertama memberikan sinyal positif pada D1, hal ini membuat terminal keduanya memberikan sinyal negatif. Sinyal negatif ini berbeda fasa 180 derajat dengan terminal pertama yang telah dilakukan sebelumnya.
Kemudian, D1 yang menerima sinyal positif akan berada dalam forward bias dan melewatkan sisi sinyal positif, sedangkan D2 yang menerima sinyal negatif akan berada dalam reverse bias. Begitu pun juga dengan sebaliknya, saat gelombang AC di terminal pertama menjadi negatif, maka D1 akan terhambat.
b) Full Wave Rectifier 4 Dioda
Karena jumlah dioda yang dibutuhkan dan dipakai pada penyearah gelombang ini berbeda, tentu cara kerja yang berlaku di dalamnya pun tidak akan sama. Jika dibandingkan dengan jenis rectifier yang lainnya, maka full wave rectifier 4 dioda adalah yang paling sering digunakan oleh banyak orang.
Hal ini terjadi karena rectifier 4 dioda dapat memberikan kinerja yang lebih baik dari jenis-jenis lainnya. Apabila transformer pada komponen ini mengeluarkan output sinyal positif, maka D1 dan D2 akan berada dalam kondisi forward bias. Oleh karena itu, D1 dan D2 ini pun akan melewatkan sinyal positif.
Lalu, bagaimana dengan D3 dan D4 pada sisi lainnya? Maka D3 dan D4 ini akan menghambat sisi sinyal negatif yang mengalir di dalamnya. Dengan begitu, saat output transformer berubah menjadi sinyal negatif, hal ini akan membuat D3 dan D4 di dalamnya berada dalam kondisi forward bias.
3. Rectifier dengan Kapasitor
Selain kedua jenis yang telah kami sebutkan sebelumnya, sebenarnya masih ada jenis lainnya yakni rectifier yang dilengkapi dengan kapasitor. Tegangan hasil penyearahan pada komponen ini belum sepenuhnya stabil dan mirip dengan tegangan DC yang sering muncul pada beberapa komponen.
Hal ini terjadi karena terdapat variasi minor dalam tegangan output komponennya yang menjadi akibat dari proses penyearahan gelombang AC. Jadi, kapasitor akan sangat berguna untuk mengurangi variasi minor tersebut.
Penjelasan terkait penyearah gelombang (rectifier) memang selalu menarik untuk dibahas. Meski proses pemahaman tentang hal ini mungkin membutuhkan waktu yang cukup lama, tapi tidak ada salahnya untuk mempelajari tentang hal baru untuk memperluas wawasan dalam diri kita.
