
Baca juga Contoh Rangkaian Elektro Pneumatik dan Instalasinya
LANGKAH KERJA
- Siapkan komponen serta periksa ketersediaan suplai udara
- Buat rangkaian seperti gambar pada plug board
- Jalankan rangkaian dan amati karaktek kerja sistem setiap rangkaian

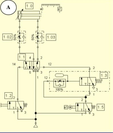
Cara kerja rangkaian A:
- Udara bertekanan dari kompresor masuk ke air service unit dan diteruskan ke distributor 8 holes lalu dibagi.
- Udara bertekanan yang keluar dari 8 holes masuk ke saluran 1 pada katup 3/2 normally closed, katup 3/2 aktuator rol A1, dan katup 5/2 perintah pneumatik 2 arah.
- Sebelum teraktuasi, pada katup 3/2 normally closed akan berlaku ruang kanan (saluran 2 & 3 terhubung). Apabila katup 3/2 normally closed teraktuasi dengan cara ditekan maka berlaku ruang kiri sehingga saluran 1 dan 2 terhubung yang selanjutnya udara bertekanan keluar dari saluran 2 katup 3/2 normally closed dan menjadi perintah pneumatik untuk katup 5/2. Dan pada katup 5/2 akan berlaku ruang kiri sehingga saluran 1 & 4 terhubung. Selanjutnya udara bertekanan masuk ke katup cerat lalu keluar menuju silinder kerja ganda yang mengakibatkan silinder kerja ganda bergerak maju.
- Saat silinder kerja ganda maju, silinder menekan katup 3/2 aktuator rol A1 (teraktuasi) yang mengakibatkan saluran 1 dan 2 terhubung yang selanjutnya udara bertekanan dari saluran 2 mengalir menuju katup tunda waktu dan mengisi tabung katup tunda waktu hingga penuh.
- Setelah tabung pada katup tunda waktu penuh udara bertekanan memberikan perintah pneumatik katup 3/2 pada katup tunda waktu, sehingga udara bertekanan menuju katup 5/2 dan memberikan perintah pneumatik katup 5/2 (berlaku ruang kanan, 1 & 2 terhubung). Lalu udara bertekanan keluar dari saluran 2 dan menuju katup cerat. Dari katup cerat menuju silinder kerja ganda, sehingga silinder bergerak mundur.
- Katup cerat digunakan untuk mengatur kecepatan silinder kerja ganda pada rangkaian ini.
Baca juga Cara Kerja Rangkaian Pneumatik “INTUITIF A+ B+ A- B- STOP”

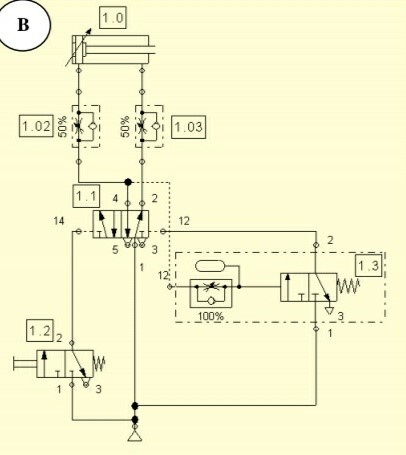
Cara kerja rangkaian B:
- Udara bertekanan dari kompresor masuk ke air service unit dan diteruskan ke distributor 8 holes lalu dibagi.
- Udara bertekanan yang keluar dari 8 holes masuk ke saluran 1 pada katup 3/2 normally closed, katup tunda waktu, dan katup 5/2 perintah pneumatik 2 arah.
- Sebelum teraktuasi, pada katup 3/2 normally closed akan berlaku ruang kanan (saluran 2 & 3 terhubung). Apabila katup 3/2 normally closed teraktuasi dengan cara ditekan maka berlaku ruang kiri sehingga saluran 1 dan 2 terhubung yang selanjutnya udara bertekanan keluar dari saluran 2 katup 3/2 normally closed dan menjadi perintah pneumatik untuk katup 5/2. Dan pada katup 5/2 akan berlaku ruang kiri sehingga saluran 1 & 4 terhubung. Selanjutnya udara bertekanan masuk ke katup cerat lalu keluar menuju silinder kerja ganda yang mengakibatkan silinder kerja ganda bergerak maju.
- Udara bertekanan dari 8 holes menuju katup tunda waktu dan mengisi tabung katup tunda waktu hingga penuh.
- Setelah tabung pada katup tunda waktu penuh udara bertekanan memberikan perintah pneumatik katup 3/2 pada katup tunda waktu, sehingga udara bertekanan menuju katup 5/2 dan memberikan perintah pneumatik katup 5/2 (berlaku ruang kanan, 1 & 2 terhubung). Lalu udara bertekanan keluar dari saluran 2 dan menuju katup cerat. Dari katup cerat menuju silinder kerja ganda, sehingga silinder bergerak mundur.
- Katup cerat digunakan untuk mengatur kecepatan silinder kerja ganda pada rangkaian ini.
Semoga contoh RANGKAIAN PNEUMATIK KATUP TUNDA WAKTU ini bermanfaat dan jangan lupa ikuti INSTAGRAM dan FACEBOOK kami dan dapatkan informasi seputar dunia teknik setiap harinya.
Writter : Dewanto D. A.