Ada banyak jenis rangkaian listrik yang digunakan pada peralatan elektronika salah satunya adalah rangkaian star delta. Rangkaian listrik satu ini dipakai untuk perangkat elektronik yang memerlukan daya cukup besar dengan kabel listrik 3 phase.
Beberapa rangkaian listrik yang membutuhkan rangkaian star delta adalah perangkat elektronika dengan daya lebih dari 5 kilo Watt atau di atas 500 Watt. Kemampuan rangkaian elektronik star delta untuk menurunkan lonjakan arus lstrik membuatnya penting untuk diaplikasikan pada rangkaian.
Mengenal Apa Itu Rangkaian Star Delta?
Rangkaian star delta adalah rangkaian motor listrik yang terdiri dari rangkaian star serta rangkaian delta. Fungsi dari rangkaian ini adalah untuk mengurangi lonjakan arus saat mesin motor baru dihidupkan.
Rangkaian satu ini juga disebut sebagai rangkaian bintang segitiga karena memiliki bentuk seperti bintang segitiga. Jenis rangkaian ini sebenarnya bisa dipakai untuk listrik 1 phase dan juga listrik 3 phase sehingga cukup fleksibel.
Namun rangkaian bintang segitiga atau star delta ini lebih banyak diaplikasikan pada jenis motor 3 phase karena memerlukan daya listrik besar agar dapat mulai bergerak. Rangkaian bintang segitiga ini memiliki beberapa fungsi selain mengurangi jbesar arus start yang diproduksi oleh motor listrik. Berikut fungsinya:
- Rangkaian bintang segitiga dapat mengurangi lonjakan arus ketika motor listrik dihidupkan pertama kali, namun rangkaian bintang ini tidak akan menyebabkan torsi pada electromotor berkurang.
- Ketika Anda menghidupkan motor listrik untuk pertama kalinya, rangkaian star delta yang terpasang di dalamnya akan mengurangi jumlah arus yang keluar
- Rangkaian bintang segitiga berguna untuk menstabilkan tegangan arus pada rangkaian motor listrik
- Star delta mempunyai kemampuan untuk memutuskan tegangan listrik secara otomatis ketika motor listrik mengalami kondisi kelebihan beban atau overload. Dengan terputusnya tegangan listrik secara otomatis maka motor listrik tidak akan rusak dan bisa bekerja optimal
Perbedaan Hubungan Rangkaian Star dan Delta
Terdapat beberapa perbedaan antara hubungan rangkaian motor listrik star dan delta. Berikut adalah karakteristik dari kedua hubungan tersebut:
1. Hubungan Star
Hubungan rangkaian star memiliki beberapa karakteristik khusus sebagai berikut:
- Hubungan rangkaian star dapat dipakai untuk kontrol jarak jauh karena memerlukan insulasi rendah
- Aplikasi rangkaian star sering digunakan pada rangkaian elektronika yang hanya memerlukan arus listrik kecil
- Hubungan star banyak diaplikasikan pada rangkaian listrik 1 phase dan juga rangkaian listrik 3 phase
- Besar arus listrik yang masuk dan keluar pada hubungan star sama
2. Hubungan Delta
Hubungan rangkaian listrik Delta memiliki beberapa karakteristik khusus sebagai berikut:
- Hubungan delta biasa digunakan pada rangkaian kontrol jarak dekat
- Besar arus yang masuk dan keluar berbeda yakni sebesar √3 x arus input
- Hubungan delta diaplikasikan pada komponen elektronik yang memerlukan daya mula-mula tinggi
- Hubungan delta banyak diaplikasikan pada rangkaian star delta 3 phase
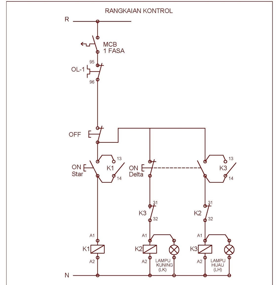
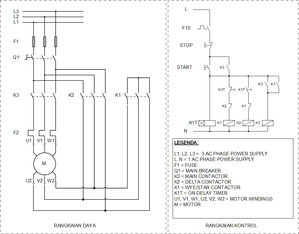
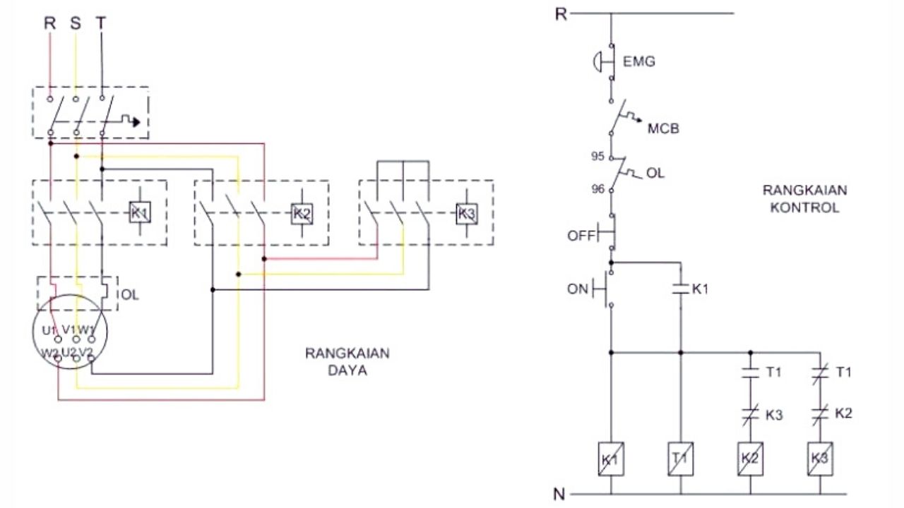
Komponen Pada Skema Rangkaian Star Delta
Rangkaian motor listrik star delta disusun oleh beberapa komponen berdasarkan skema dari rangkaian listrik tersebut. Secara umum dikenal 6 macam komponen rangkaian motor listrik star delta yaitu RT 18-32, transformer, timer, thermal overlay relay, kontaktor, MCB 3 Phase. Berikut penjelasannya:
1. MCB 3 Phase
Miniature Circuit Breaker atau MCB merupakan komponen perangkat elektronika yang memiliki fungsi untuk memutuskan sekaligus menyambung arus listrik. Komponen satu ini memiliki fungsi untuk mengendalikan arus listrik ke dalam jaringan pada rangkaian listrik star delta.
Dengan adanya MCB 3 Phase, maka rangkaian elektronika bisa terjaga keamanannya. Hal ini karena komponen satu ini akan secara otomatis memutuskan rangkaian arus ketika terjadi lonjakan arus tiba-tiba atau hubungan arus pendek yang membahayakan.
2. RT 18-32
Elemen rangkaian listrik star delta berikutnya adalah RT 18-32 yang juga dikenal sebagai sekering atau fuse. Komponen ini berfungsi untuk memutuskan arus listrik ketika timbul arus pendek pada rangkaian listrik star delta secara otomatis.
3. Transformer
Transformer merupakan komponen elektronika yang memiliki fungsi untuk mengubah besar tegangan listrik yaitu dari nilai tegangan listrik yang tinggi ke nilai rendah. Misalnya saja besar tegangan listrik yang awalnya 380 Volt menjadi 220 Volt atau lainnya sesuai kebutuhan.
4. Timer
Komponen elektronika penting berikutnya yang ada pada rangkaian star delta adalah timer. Timer berfungsi untuk mmutus serta menghubungkan arus didasarkan kepada alat ukur waktu.
Ketika kumparan listrik dialiri oleh arus listrik, maka timer akan memindahkan operasional induksi di motornya. Induksi pada motor akan dipindahkan dari kondisi star menjadi kondisi delta.
5. Thermal Overlay Relay
Elemen rangkaian listrik star delta berikutnya yaitu thermal overlay relay atau disingkat dengan TOR. Thermal Overlay Relay adalah komponen yang berfungsi untuk mengamankan rangkaian elektronika dari berbagai masalah kelistrikan seperti kelebihan beban atau overload listrik.
Thermal Overlay Relay akan bekerja mendeteksi adanya permasalahan pada aliran listrik terutama listrik overload atau kelebihan beban.
Ketika masalah ini terdeteksi maka TOR akan secara otomatis memutuskan aliran listriknya ke perangkat elektronika. Cara kerja deteksi TOR berdasarkan timbulnya panas atau termal.
6. Kontaktor
Elemen rangkaian listrik star delta selanjutnya adalah kontaktor. Elemen satu ini pada rangkaian listrik star delta motor 3 phase berfungsi untuk memutuskan dan menyambung arus listrik. Arus yang dihasilkan dari rangkaian listrik ini bersumber dari lilitan kumparan penghasil medan magnet.
Kontaktor yang diaplikasikan pada rangkaian motor listrik star delta ada 3 macam yaitu:
- Kontaktor utama
- Kontaktor kedua, digunakan ketika rangkaian berada pada sistem star
- Kontaktor ketiga, digunakan ketika rangkaian jaringan sedang dalam sistem delta
Cara Kerja Rangkaian Listrik Star Delta
Rangkaian listrik star delta bekerja melalui beberapa komponen yang saling menyokong satu dengan lainnya. Cara kerja rangkaian listrik ini juga tidak begitu rumit. Di bawah ini adalah cara kerja dari rangkaian listrik star delta:
- Tegangan listrik yang bersumber dari MCB akan mengalir ke komponen kumparan saat tombol push ditekan
- Terminal NO akan langsung tersambung dengan kumparan K1 atau kumparan magnetik kontaktor. Selanjutnya tombol push button off juga akan mengalir sebagai rangkaian penguncinya
- Timer kemudian memperoleh arus listrik yang berasal dari terminal kmparan K1
- Tegangan pada NC kemudian mengalir ke bagian kumparan magnetik kontaktor (K3)
- Kontaktor K1 mengalirkan tegangan R-S-T ke komponen gulngan electromotor
- Terminal kemudian akan disambungkan pertama kalinya oleh kontaktor K3
- Jaringan kemudian akan bekerja dengan koneksi star saat berada pada fase ini
- Timer akan mulai melakukan penyesuaian sesudah motor bekerja di tegangan rendah sehingga arus rangkaian menjadi stabil
- Kumparan magnetik akan terhubung ke terminal NO
- Kerja rangkaian listrik berpindah dari mode star ke mode delta
- Apabila push button off ditekan akan membuat seluruh arus di rangkaian listrik terputus dan menyebabkan electromotor berhenti bekerja
Rangkaian star delta merupakan metode hubungan yang biasa diaplikasikan untuk menyalakan rangkaian motor listrik 3 phase. Rangkaian star merupakan wiring diagram dengan bentuk seperti bintang semntara rangkaian delta berbentuk seperti segitiga.
