Stop kontak penyearah rectifier merupakan rangkaian yang digunakan untuk menyearahkan arus bolak-balik. Dalam artian lain, rectifier berperan baik untuk mengubah arus AC menjadi DC dengan susunan rangkaiannya.
Mungkin ada sebagian orang yang tidak menyadari banyaknya penggunaan rectifier dalam kehidupan sehari-hari. Pasalnya hampir sebagian besar alat-alat elektronik pastilah memiliki rangkaian power supply yang juga akan berhubungan dengan penyearah rectifier.
Penasaran dengan apa itu rectifier dan bagaimana kegunaannya serta jenis-jenisnya? Simak selengkapnya pada ulasan di bawah ini!
Pengertian Penyearah Rectifier
Membahas stop kontak penyearah rectifier, sebenarnya rangkaian pengubah arus listrik satu ini sudah digunakan di berbagai peralatan elektronik. Terlebih jika membahas hal-hal yang berhubungan dengan PLN, pastilah di dalamnya terdapat rangkaian power supply.
Sementara rangkaian power supply atau yang kerap disebut sebagai catu daya tersebut tidak terlepas dari adanya rectifier yang berperan sebagai penyearah arus. Karena perannya, rectifier banyak disebut sebagai penyearah gelombang.
Dalam praktiknya, rangkaian rectifier akan berperan penting dalam pengubahan arus gelombang AC yang bolak-balik menjadi arus searah.
Sebagaimana yang diketahui, arus yang dihasilkan dari PLN berupa arus bolak-balik (AC). Sementara itu, hampir sebagian peralatan elektronik memerlukan tegangan DC agar bisa bekerja dengan baik. Dalam hal ini, pengguna perlu memanfaatkan rectifier.
Nantinya rectifier akan berperan mengubah arus AC dari PLN menjadi arus DC agar tegangan yang dihasilkan jauh lebih kecil.
Terdapat beberapa bentuk fisik dari rectifier meliputi dioda tabung vakum, dioda solid state, katup busur merkuri, hingga berbagai saklar semikonduktor.
Fungsi Stop Kontak Penyearah Rectifier
Dalam kehidupan sehari-hari, rectifier memiliki banyak peran serta kegunaan. Bahkan dapat dikatakan jika penyearah rectifier bisa ditemukan di sebagian besar perangkat elektronik yang didalamnya membutuhkan arus DC.
Ketika suatu perangkat membutuhkan arus DC dan tidak memiliki baterai sebagai sumber arus di dalamnya, maka saat itulah penyearah akan digunakan. Seiring dengan itu, tidak heran jika rectifier bisa ditemukan di berbagai alat elektronik mulai dari charger smartphone, charger laptop, hingga televisi.
Memiliki banyak fungsi, kegunaan utama dari penyearah adalah membuat arus bolak-balik menjadi arus searah. Perannya satu ini membuat berbagai peralatan elektronik bisa digunakan dan berjalan sebagaimana mestinya.
Jenis-Jenis Penyearah Rectifier
Memang benar bahwa umumnya rangkaian penyearah menggunakan komponen dioda. Namun tetap saja, rangkaian satu ini terbagi menjadi beberapa jenis karena adanya perbedaan jumlah dioda yang digunakan sesuai dengan kebutuhan.
Selain didasarkan pada jumlah dioda, pembagian jenis rectifier juga didasarkan pada konfigurasi rangkaiannya. Berdasarkan dua aspek di atas, jenis-jenis rectifier terbagi seperti berikut:
1. Penyearah Setengah Gelombang (Half Wave Rectifier)
Hanya menggunakan satu buah dioda saja, half wave rectifier merupakan jenis penyearah yang paling sederhana. Pada dasarnya, arus AC tersusun dari 2 gelombang, yaitu gelombang negatif dan positif yang bolak-balik.
Dioda akan berperan dalam menghambat sisi sinyal negatif gelombang AC tersebut serta melewatkan sinyal positifnya. Hal ini bisa terjadi karena saat terdapat gelombang positif dari arus AC yang memasuki dioda, maka dioda akan menjadi forward bias sehingga melewatkannya.
Sementara saat terdapat gelombang negatif dari arus AC yang memasuki dioda, maka dioda akan berada dalam posisi reverse bias. Posisi ini menjadikan dioda menghambat gelombang negatif tersebut. Dengan begitu dioda berperan memfilter sisi negatif gelombang dan hanya melewatkan sisi positif gelombang saja.
2. Penyearah Gelombang Penuh (Full wave Rectifier)
Jenis penyearah gelombang ini bisa dikatakan sebagai penyempurnaan dari rangkaian half wave rectifier yang telah dijelaskan sebelumnya. Di saat rangkaian setengah gelombang memiliki bagian puncak positif yang kosong, maka penyearah gelombang penuh mengisi puncak positif yang hilang tersebut.
Untuk bisa membuat full wave rectifier, terdapat dua cara yang bisa dicoba. Adapun hal yang membedakan kedua cara ini terletak pada jumlah dioda yang perlu digunakan. Lebih lanjutnya, simak dua cara yang bisa dilakukan dalam membuat penyearah gelombnga penuh di bawah ini:
Penyearah Gelombang Penuh 2 Dioda
Cara pertama yang bisa dilakukan untuk membuat penyearah gelombang penuh adalah dengan memanfaatkan 2 dioda di dalamnya. Dalam praktiknya, cara ini membutuhkan transformer khusus, yaitu transformer CT (Center Tapped).
Dari kedua Terminal Output Sekunder yang dimilikinya, Transformer CT memberikan keluaran (output) tegangan yang berbeda fasa 180 derajat. Ketika Output Transformer CT memberikan sinyal positif pada dioda 1 di terminal pertama, maka Transformer CT akan memberikan sinyal negatif di terminal kedua.
Pemberian sinyal negatif di terminal kedua ini akan berbeda fasa 180 derajat dengan sinyal positif di terminal pertama. Kemudian, dioda 1 akan berada di kondisi bias maju saat terkena sinyal positif. Sementara dioda 2 akan berada di kondisi bias terbalik hingga dapat menghambat sisi sinyal negatif.
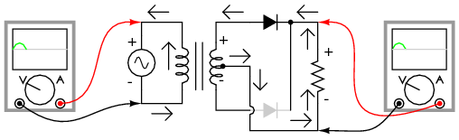
Penyearah Gelombang Penuh 4 Dioda (Bridge Rectifier)
Untuk pembuatan gelombang penuh dengan menggunakan 4 dioda, sebagian orang mengenalnya dengan istilah bridge rectifier. Karena memiliki kinerja yang terbilang baik jika dibandingkan jenis penyearah lainnya, bridge rectifier sering digunakan di berbagai rangkaian power supply.
Sesuai dengan namanya, rangkaian ini memiliki sistem yang hampir serupa dengan jembatan. 4 buah dioda yang akan digunakan akan menghasilkan dua output positif dan dua output negatif. Berbeda dengan sistem 2 dioda, penyearah gelombang penuh 4 dioda tidak lagi membutuhkan Transformer CT.
Untuk cara kerjanya, dioda akan mengalirkan arus dua cabang saat terdapat aus AC yang memasuki pertemuan salah satu dioda yang terdapat di jembatan. Di cabang pertama, arus tersebut akan dialirkan dengan reverse bias serta forward bias melalui dua buah dioda.
Selanjutnya, akan terdapat arus positif yang dihasilkan dari Output dioda forward bias. Sementara arus negatif akan dihasilkan dari Output dioda reverse bias.
Kelebihan dan Kekurangan Full Wave Rectifier dan Full Bridge Rectifier
Meski berperan besar di berbagai penggunaan peralatan elektronik, tentu rectifier memiliki sisi kekurangan di samping sisi kelebihannya. Memiliki berbagai jenis rangkaian, berikut akan diberikan sisi kelemahan dan kelebihan rangkaian rectifier yang umum digunakan:
1. Full Wave Rectifier
Berdasar penjelasan sebelumnya, penyearah gelombang penuh disebut sebagai penyempurna dari penyearah setengah gelombang yang memang lebih sederhana. Namun sebelum menggunakannya, pahami sisi keunggulan serta kekurangan dari full wave rectifier berikut:
- Kelebihan: Rangkaian penyearah penuh memiliki keunggulan dalam keefisienan yang dimilikinya. Seluruh bagian sinyal AC akan diterima hingga ripple pada output rectifier lebih halus dan kecil. Selain itu, daya listrik juga tidak akan terbuang karena daya serap yang efektif.
- Kekurangan: Rangkaian membutuhkan biaya yang lebih besar. Selain itu, rangkaian juga membutuhkan dioda lebih banyak, yaitu dua dioda.
2. Full Bridge Rectifier
Full bridge rectifier dikatakan sebagai rangkaian yang paling banyak digunakan karena susunan serta sistemnya yang efisien. Adapun kelebihannya adalah sebagai berikut:
- Kelebihan: penggunaan lilitan yang hemat menjadikan sistem kerja power supply sangatlah efisien.
- Kekurangan: Dibutuhkan hingga 4 buah dioda untuk bisa membuat rangkaian ini.
Itulah berbagai informasi terkait rectifier atau penyearah arus listrik. Sekarang Anda bisa memilih stop kontak penyearah rectifier dengan lebih mudah setelah memahami fungsi hingga jenis-jenisnya. Jangan lupa untuk mempertimbangkan pendapat orang yang ahli di bidangnya dalam menggunakan rangkaian ini.
Referensi



