Menyusun anggaran merupakan tahapan penting dalam proyek konstruksi. Tanpa anggaran yang terencana dengan baik, proyek dapat berakhir dengan biaya yang Read more …
ilmuteknik.id
Jenis-jenis Izin yang Harus Diketahui Oleh Kontraktor Bangunan
Sebagai seorang kontraktor bangunan, pengetahuan tentang berbagai jenis izin dalam proses pembangunan merupakan hal yang tak terelakkan. Memang, proses pembangunan Read more …
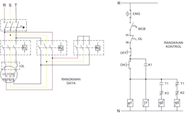
Rangkaian Star Delta: Pengertian, Perbedaan dan Komponen
Ada banyak jenis rangkaian listrik yang digunakan pada peralatan elektronika salah satunya adalah rangkaian star delta. Rangkaian listrik satu ini Read more …
Simbol Instalasi Listrik: Tabel, Komponen dan Gambarnya
Untuk memudahkan para ahli listrik dalam menginstalasi rangkaian kelistrikan di bangunan maupun rumah maka dibuatlah simbol instalasi listrik yang sudah Read more …
15 Model Rumah Kayu Minimalis Modern & Unik
Rumah kayu minimalis modern menjadi impian bagi banyak orang saat ini. Hal ini dikarenakan material kayu dengan bentuk yang minimalis Read more …
Apa itu Google Colab? Berikut Penjelasan Lengkapnya
Apakah kamu pernah mendengar nama Google Colab? Apa itu Google Colab? Banyak orang yang belum mengetahui tools Google terbaru ini. Read more …
